Menu
×
Hello
Login or Register
Quick Links
Live Chat
Track Order
Parts Availability
RMA
Help Center
Contact Us
Shop for
Buick Parts
Cadillac Parts
Chevrolet Parts
GMC Parts
Hummer Parts
Oldsmobile Parts
Pontiac Parts
Saturn Parts
ChevyParts
Search Bar
Search by Part Number, Part Name, or Vehicle
My Garage
My Account
Cart
Buick Parts
Cadillac Parts
Chevrolet Parts
GMC Parts
GM Parts
Hummer Parts
Oldsmobile Parts
Pontiac Parts
Saturn Parts
Help Center
Contact Us
Home
>
Chevrolet Sprint
>
1985
How to use OE catalog
1985 Chevrolet Sprint Parts
Change Vehicle
Categories
Air & Fuel Delivery
Body & Hardware
Engine
Interior & Exterior Trim
Maintenance & Lubrication
Parts and Categories
Air & Fuel Delivery
Carburetor
Fuel System Components
Body & Hardware
Gate & Hardware
Quarter Panel & Components
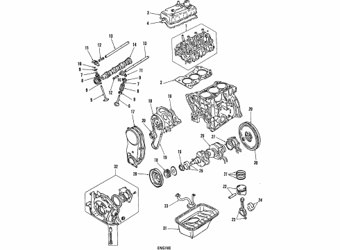
Engine
Engine Parts, Mounts, Cylinder Head & Valves, Camshaft & Timing, Oil Pan, Oil Pump, Crankshaft & Bearings, Pistons, Rings & Bearings
Interior & Exterior Trim
Interior Trim
Maintenance & Lubrication
Filters